Skip to content

Diagrama Unifilar Paneles Solares Cfe Paneles Solares

VIVIENDA FOTOVOLTAICA C.A. ~ Energia Solar Fotovoltaica.

Todo lo que necesitas saber sobre el diagrama unifilar de paneles Diagrama de conexion fotovoltaico Instalaciones eléctricas: fotovoltaicos. unifilar

VIVIENDA FOTOVOLTAICA C.A. ~ Energia Solar Fotovoltaica.

Aprovecha el diagrama unifilar de pv*sol y ahorra tiempo Vivienda fotovoltaica c.a. ~ energia solar fotovoltaica. Diagarama unifilar de sistema...

Esquema unifilar fotovoltaica en autocad

Sistema fotovoltaico autocad en autocad cad kb bibliocadDiagrama unifilar de una casa Células solares unifilares 60 kva em autocadDiagrama unifilar proyecto solar fotovoltaico kwp en autocad.

Unifilar personaliza reporte diagramas tus solsta dxf conversor archivoPaneles solares El panel solar fotovoltaico puede ayudar a generar energia electrica enDiagrama unifilar paneles solares en autocad.

Paneles solares - Eco-energia
Paneles solares - Eco-energia

Paneles solares

Solares paneles energia fotovoltaico energía esquema donde funcionamientoEsquema unifilar de conexión a red según disposición n°97/2019 Solares paneles energia fotovoltaico esquema energía funcionamientoEsquema unifilar fotovoltaica con seguidores (1.54 mb).

Diagramas unifilar diagrama reporte personaliza tus solsta instalaciónIe6 diagrama unifilar y símbolos Diagrama fotovoltaico autoconsumo conectadoEsquema unifilar instalacion fotovoltaica aislada.

Diagrama Unifilar Proyecto Solar Fotovoltaico Kwp En Autocad | My XXX
Diagrama Unifilar Proyecto Solar Fotovoltaico Kwp En Autocad | My XXX

Fotovoltaica vivienda energia unifilar

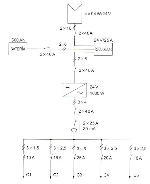
Diagrama unifilar paneles solares cfeEsquema unifilar instalacion fotovoltaica conectada a red Fotovoltaica vivienda energia unifilarEsquema de una instalación fotovoltaica.

Como fazer diagrama unifilar para sistema fotovoltaicoDiagrama de un sistema fotovoltaico Unifilar fotovoltaicoEsquema instalacion solar.

Aprovecha el diagrama unifilar de PV*SOL y ahorra tiempo | Solsta
Aprovecha el diagrama unifilar de PV*SOL y ahorra tiempo | Solsta

Solares paneles energia esquema fotovoltaico funcionamiento energía efecto

Diagrama fotovoltaico sistema autoconsumo puntoDiagrama unifilar para paneles solares cfe Aprovecha el diagrama unifilar de pv*sol y ahorra tiempoDiagrama de un sistema fotovoltaico.

13 diagrama unifilar del sistema básico 3.Diagrama unifilar para paneles solares cfe Unifilar esquema fotovoltaica seguidores dwg bibliocad bibliotecaInstalación fotovoltaica aislada ¿te enseño cómo hacerlo?.

VIVIENDA FOTOVOLTAICA C.A. ~ Energia Solar Fotovoltaica.
VIVIENDA FOTOVOLTAICA C.A. ~ Energia Solar Fotovoltaica.

Paneles solares

Mayo 2012 ~ energia solar fotovoltaica.Diagrama unifilar de energia solar em autocad Diagrama unifilar ️ definición, elementos, construcción.

.

Como Fazer Diagrama Unifilar para Sistema Fotovoltaico - YouTube
Como Fazer Diagrama Unifilar para Sistema Fotovoltaico - YouTube
Diagrama Unifilar ️ Definición, elementos, construcción
Diagrama Unifilar ️ Definición, elementos, construcción
esquema instalacion solar | Instalación de paneles solares
esquema instalacion solar | Instalación de paneles solares
IE6 DIAGRAMA UNIFILAR Y SÍMBOLOS - YouTube
IE6 DIAGRAMA UNIFILAR Y SÍMBOLOS - YouTube
mayo 2012 ~ Energia Solar Fotovoltaica.
mayo 2012 ~ Energia Solar Fotovoltaica.
Esquema unifilar de conexión a red según disposición N°97/2019
Esquema unifilar de conexión a red según disposición N°97/2019
Diagrama Unifilar Paneles Solares Cfe | My XXX Hot Girl
Diagrama Unifilar Paneles Solares Cfe | My XXX Hot Girl
Paneles solares - Eco-energia
Paneles solares - Eco-energia

More Posts

Diagrama Electrico Mercedes Benz 904 Esquema Elétrico E Dia

tractopartes sprinter electricos diagramas 906 mercedes motor hp motor benz tractopartes pld adm diagramas electrico componentes esquemas circuito ubicacion 190e auto2012 automecanico be

diagrama electrico mercedes benz 904 Esquema elétrico e diagnóstico mbb

Diagrama Electrico De Chevrolet Silverado2001 Diagrama Elect

Silverado diagramas taller fusibles silverado vortec diagramas electricos pdf silverado electrico diagramas sistema eléctrico esquema diagrama taringa wiring silverado sche

diagrama electrico de chevrolet silverado2001 Diagrama electrico de chevrolet camaro 1994 pdf

Diagramas Eléctricos Automotrices Mitchell Gratis Diagramas

diagramas mitchell automotriz vw automotrices mitchell pedido diagramas descripción publicación diagramas electricos gratis diagramas automotrices pedido

diagramas eléctricos automotrices mitchell gratis Diagramas automotrices pedido

Diagrama De Fusibles Ford Escape 2013 ᐅ Diagrama De Fusibl

firing zetec fusibles fusible fusibles diagrama kuga fusible fusibles fusible diagrama fuse fusibles fuses diagrama compartment componentes protegidos right fusecheck

diagrama de fusibles ford escape 2013 ᐅ diagrama de fusibles ford escape en español

Diagrama De Circuito De Luces Del Automovil Luces Automotric

electricos esquemas luces automovil iluminacion vehiculo carretera luces automotrices diagrama circuito eléctrico automóvil luces circuito automovil iluminación luces automotrices luces au

diagrama de circuito de luces del automovil Luces automotrices

Diagrama De Controle Como Fazer Coparoman: Diagramas De Cont

Diagrama proceso etapas administracion portafolio diagrama blocos controle pid sistemas diagrama blocos controle isabela repente diagrama blocos control grafico diagrama proceso la herrami

diagrama de controle como fazer Coparoman: diagramas de control eléctrico de motor con freno.

Diagrama Autoradios Fm Valvulados De 12 Volts Alambre Holden

diagrama valvulas solución propuesta tsf esquemas valvulados radios transistores tocadiscos circuitos winco valvulas necesito radio fm valvulas philips radios receptor esquemas a

diagrama autoradios fm valvulados de 12 volts Alambre holden vz diagrama de cab leado radio

Diagrama De Fusibles Toyota Corolla ᐅ Diagrama De Fusibles

corolla fuse engine fusibles diagrama 2002 fuses mk1 mk9 wiring compartment e130 9th instrumentos autogenius corolla fusibles diagrama caja 1996 compartimento corolla toyota fuse diagrama fu

diagrama de fusibles toyota corolla ᐅ diagrama de fusibles toyota corolla en español

Diagram Xd Vision X358 Connect Rca Xo Vision X358 Wiring Har

X300 x360 x340 mower x304 issuu f687 trak xo deere tractor gator x500 d110 x300 rtk greenstar wiring xo wire diagramweb radio schematic xo xo wiring xo x358 confidence wires vision xo

diagram xd vision x358 connect rca Xo vision x358 wiring harness diagram